Grundlagen der Elektrotechnik

Elektronik und Elektrotechnik begegnen uns mittlerweile in allen Lebensbereichen auf Schritt und Tritt. Elektronik steckt in so gut wie allen technischen Geräten, mit denen wir zuhause, am Arbeitsplatz oder, wenn wir mit dem Auto, der Bahn oder dem Flugzeug unterwegs sind, konfrontiert werden.

Haushaltsgeräte, Computer, Smartphones, Internet-Router, Heizungen, Autos, TV-Geräte, elektronische Musikinstrumente und Kameras sind nur einige Beispiele aus der „elektrotechnischen Welt“, die man als „User“ in der Regel als „Black Box“ ansieht, die einfach nur funktionieren sollte...

Als Profi dagegen benötigt man eine solide Verständnisbasis der Funktionszusammenhänge im Innern dieser Black Boxes.

Wenn Sie also z.B.

  • als Auszubildende/r eines elektrotechnischen Berufs am Beginn Ihrer Ausbildung stehen,
  • sich als Studienanfänger:in der Elektrotechnik eingeschrieben haben,
  • oder sich „nur“ als Hobby mit Elektronik beschäftigen wollen,

stellen Sie sich als erstes häufig die Frage:

Wie finde ich am besten den Einstieg in die Grundlagen der Elektrotechnik?

„Elektrotechnik lernen“ gelingt am einfachsten durch ständige Verknüpfung von theoretischen Grundlagen mit praktischer Tätigkeit. Im Lehrgang „Elektronik Grundlagen“ der SGD erfolgt dies durch Verwendung von leicht verständlichen Modellen der elektrotechnischen Begriffe und immer auch mit direkter Umsetzung in Schaltungssimulationen und praktischem Schaltungsaufbau mit den dazugehörigen Messungen.
 

Die Elektrotechnik ist längst kein Gebiet mehr, mit dem nur Spezialisten und Spezialistinnen zu tun haben. Die damit verbundenen Technologien finden sich in unzähligen Produkten und Prozessen des Alltags. Wer hier mit einem kenntnisreichen Überblick und fundiertem Grundwissen punkten kann, verschafft sich in vielen Berufen einen Vorteil. Dieser Grundkurs vermittelt Ihnen in Theorie und Praxis alle Kenntnisse, die Sie für einen professionellen Einstieg in die Elektronik von heute benötigen.

 

Tipps zum „Elektrotechnik lernen“

Tipp #1 zum Lernen von Elektrotechnik:

Informieren Sie sich über die wichtigsten elektrotechnischen Grundbegriffe

  • Strom und Stromstärke
  • Spannung
  • Widerstand
     

Tipp #2 zum Lernen von Elektrotechnik:

Wenn Sie diese Informationen Büchern oder Internetquellen entnehmen, werden Sie häufig von jeder Menge Mathematik und abstrakter Physik „erschlagen“. Also ist es am besten, wenn Sie zunächst mit Modellen dieser Begriffe arbeiten, die Sie sich sich leicht vorstellen können:

ElektrischerStrom entsteht, wenn sich Elektronen in eine Richtung durch einen metallischen Leiter bewegen:

Abb. 1: Modell des elektrischen Stroms in einem Leiter

Die elektrische Stromstärke I wird in Ampere (A) gemessen und gibt an, wieviele Elektronen pro Sekunde „fließen“ (sich in obigem Modell von links nach rechts bewegen).

Die elektrische Spannung U wird in Volt (V) gemessen und ist der „Druck“, der auf die Elektronen ausgeübt wird, damit sie sich in besagte Richtung bewegen (damit Strom überhaupt erst entsteht).

Der elektrischer Widerstand R wird in Ohm (Ω) gemessen und existiert, weil die sich bewegenden Elektronen in ihrem „Fluss“ durch das Atomgitter (mit positiver Ladung) gehindert werden.

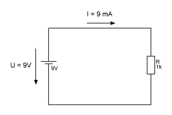
Elektrotechniker/innen nutzen zur Kommunikation Schaltskizzen:

Abb. 2: Schaltskizze des einfachen Stromkreises

Ein einfacher Stromkreis besteht immer aus einer Spannungsquelle (hier Batterie mit U = 9V), mindestens einem „Verbraucher“ (hier Widerstand mit R = 1 kΩ) sowie Hin- und Rückleiter.

Tipp #3 zum Lernen von Elektrotechnik:

Drücken Sie die Beziehung zwischen Stromstärke, Spannung und Widerstand durch eine Gleichung („Formel“) aus:

Dies bedeutet nichts anderes, als dass die Stromstärke I proprotional zur Spannung U und umgekehrt proportional zum Widerstand R ist (dies ist eine mögliche Form des „Ohmschen Gesetzes“).

Im einfachen Stromkreis in Abb. 2 kann man so die Stromstärke bei bekannter Spannung und bekanntem Widerstand berechnen:

Elektrische Messtechnik

Auch wenn solche Modelle weiterhelfen, sich die abstrakten elektrotechnischen Begriffe als Bilder vorzustellen, so werden die Zusammenhänge noch deutlicher und begreifbarer, wenn man die Größen „Stromstärke“, „Spannung“ und „Widerstand“ misst.

Dies wird spätestens dann erforderlich sein, wenn in einer konkreten elektronischen Schaltung ein Fehler systematisch gesucht werden soll.

Messungen in einem einfachen Stromkreis werden wie folgt durchgeführt:
 

Tipp #4 zum Lernen von Elektrotechnik:

Stromstärken werden immer „in Reihe“ zur Spannungsquelle und zum „Verbraucher“ gemessen (indem Sie den Stromkreis an irgendeiner Stelle unterbrechen und in diese Unterbrechung hinein das Messgerät schalten.)

(Multimeter in Stellung „DC“, Ampere-Messbereiche)

Abb. 3: Messung der Stromstärke I (hier 9 mA)
 

Tipp #5 zum Lernen von Elektrotechnik:

Spannungen werden immer „parallel“ zur Spannungsquelle oder zum „Verbraucher“ gemessen.

(Multimeter in Stellung „DC“, Volt-Messbereiche)

Abb. 4: Messung der Spannung U (hier 9 V)
 

Tipp #6 zum Lernen von Elektrotechnik:

Widerstände werden entweder aus der Strom- und Spannungsmessung berechnet (Ohmsches Gesetz) oder ausgebaut und mit der Widerstandsmessmöglichkeit des Multimeters bestimmt.

Die Lehrgänge „Elektronik Grundlagen“, „Praktische Halbleitertechnik“ und „Praktische Digitaltechnik“ machen das Ziel „Elektrotechnik leicht lernen“ für jede und jeden einfach erreichbar durch einen hohen Praxisbezug. Das Erlernen neuer Begriffe und Zusammenhänge wird immer durch einen Dreischritt „Theorie-Schaltungssimulation-Praktischer Aufbau“ erleichtert.

Bei der SGD können Sie die Grundlagen der Elektrotechnik, der Elektronik und der praktischen Digitaltechnik in einem zertifizierten Kurs lernen, zeitlich und örtlich flexibel, anschaulich durch Nutzung von Schaltungssimulationen und praktischen Aufbauten, mit persönliche:n Ansprechpartner:innen.


Newsletter abonnieren

In unseren Newsletter erhalten Sie Insider-Tipps, exklusive Aktionen und 10 % Rabatt auf 100 Kurse.

Jetzt abonnieren


Entdecken Sie unser Kursangebot

Digitaler
Studienberater 

Finden Sie die Weiterbildung, die zu Ihnen passt. Einfach 4 Fragen beantworten und Empfehlung checken.

Themenwelten
entdecken

Entdecken Sie, welcher Kurs am besten zu Ihnen passt: Wählen Sie ihn aus über 300 Kursen in 9 Themenwelten.

Infopaket
anfordern

Ihr kostenfreies Infopaket enthält Kurskatalog, Kursleitfaden zum Wunschkurs u.v.m.


Das Beratungsteam
Sie haben Fragen?
Wir beraten Sie gern kostenlos:
6151 3842-66151 3842-6

Mo. - Fr. 8:00 bis 19:00 Uhr



Kostenloses Infomaterial anfordern

Mit dem Infopaket erhalten Sie unser Kursprogramm, zwei Kursguides mit wichtigen Informationen und einem Auszug aus den Lernmaterialien sowie weiterführende Informationen zu unseren Services und Fördermöglichkeiten.

  • Sofort per E-Mail und bequem per Post
  • Kostenlos und unverbindlich
  • Enthält alle Kurse und Preise
  • Inklusive zwei digitaler Kursguides
  • Gratis „Whitepaper“ zu HR-Themen
  • Inklusive Firmenkunden Vorteils-Broschüre
sgd, Deutschlands Führende Fernschule

Einen Moment bitte...